1 Расчёт свайного фундамента под колонну
Определим
длину сваи:
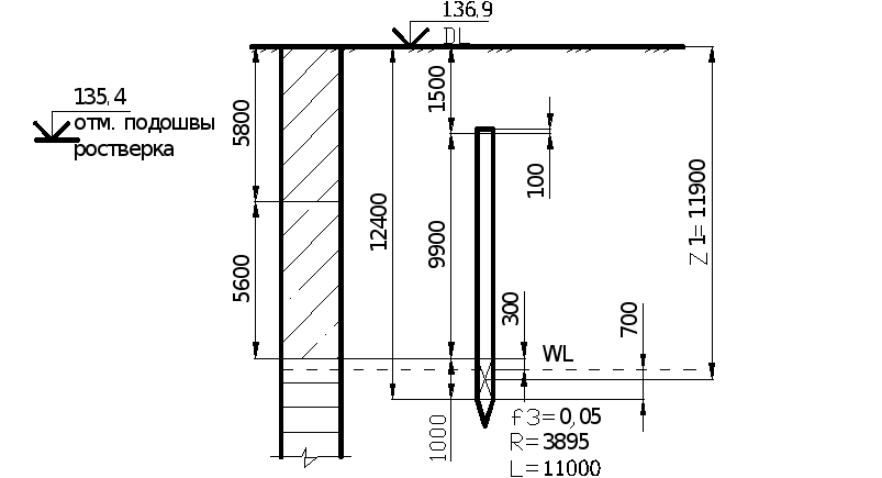
lсв=l+∑lгр+lн.сл=0,1+5,9+4=10
м
Принимаем
сваю – С-10.3, m=0,3т/м.
П
о
таблице СНиП подбираемR
при глубине погружения свай 10м– R=10955
кПа
Рисунок
5 – Расчетная схема к определению
несущей способности сваи под фундамент
стаканного типа
При
погружении свай забивкой молотом 
Несущую
способность сваи определяется по формуле
(21) как сумма расчётных сопротивлений
грунтов оснований под нижним концом
сваи и на её боковой поверхности:
(21)
где
условий работы сваи в грунте, принимаемый=1
R-расчётное
сопротивление грунта под нижним концом
сваи, кПа.
А
— площадь опирания на грунт сваи,м.
u
– наружный периметр поперечного сечения
сваи,м.
fi
– расчётное сопротивление итого слоя
грунта основания на боковой поверхности
сваи, кПа.
hi
– толщина итого слоя грунта соприкасающегося
с боковой поверхностью сваи, м.
-коэффициенты
условий работы грунта соответственно
под нижним концом и на боковой поверхности
сваи, учитывающие влияние способа
погружения сваи на расчётные сопротивления
грунта и принимаемые по .
Несущая
способность свай под колону будет равна

Расчётная
нагрузка, допускаемая на одну сваю,
определяется по формуле:

где
— коэффициент надежности, принимаемый
1,4.

Запроектируем
ростверк таким образом, чтобы размеры
в плане были кратны 30см, а высота 15см.
Конструктивно принимаем размеры в
соответствии с размерами плиты фундамента
мелкого заложения b=1,5м,
l=1,5м,
а высоту плиты примем равной 0,6м.
Необходимое
количество свай в грунте определяется
по формуле
(24)
где
N1
– расчётная нагрузка по обрезу ростверка;
G
– ориентировочный расчётный вес
ростверка и грунта на его обрезах;
G=1,6∙24+2,92·16,25=85,85кН;
;
Принимаем
количество свай под стакан – 6,
и
распологаем их следующим образом (см.
рисунок), с шагом 0,9м.
О

фактическую нагрузку, приходящуюся на
сваю, которая должна быть меньше
допустимой
Рисунок
6 — Схема условного фундамента при расчете
свайного фундамента под колонну
(25)
где
коэффициент надёжности по нагрузке,
принимаем 1,1;
Давление
по подошве условного фундамента от
расчётных нагрузок не должно превышать
расчётного давления на грунт.

Выполнение
условия, для каждой сваи не означает,
что основание свай будет работать
надежно. С целью проверки прочности
основания свайный фундамент рассматривают
как условный массивный фундамент.
Осредненное
расчетное значение угла внутреннего
трения:


bусл=0,9+0,3+2∙10*tg8,42=3,39
м
аусл=3,39
м
Проверку
прочности куста свай проводим по формуле:
(26)
где
NII—
сумма вертикальных расчётных нагрузок
в уровне нижних концов свай;
NII=NdII+Gc+Gp+Gгр
Ndll=1280
– вертикальная расчётная нагрузка на
фундамент, кН;
Gc=(0,3∙10+0,06)∙4∙10=122,4кН–
вес свай;
Gp=1,6∙24=38,4кН–
вес ростверка;
Прежде
чем найти напряжение от собственного
веса грунта в уровне подошвы фундамента
определим удельный вес грунта
второго(суглинок мягкопластичный)
и третьего (песок
гравелистый) слоя с учетом взвешивающего
веса воды:
кН/м3
кН/м3
А
также средний удельный вес грунтов,
лежащих выше уровня подошвы:
кН/м3
Gгр=(4,16*4,16-1,6)∙18,9=3865,23кН–
вес грунта;
NII=1280+122,4+38,4+3865,23=5306,03кН
МII–
расчётная величина момента действующего
на фундамент, кН∙м;
МII=260кНм

R
– расчётное сопротивление грунта
основания условного массива, кПа,
определяемое как для фундамента с
геометрическими размерами, равными
размерам условного массива грунта.
Найдем
значения коэффициентов:gс1=1,4;
gс2=1,2;
Mg=1,44;
Мq=6,78;
Мс=8,87,
d1=10м,
db=0.


—
условие выполняется.
Этапы устройства основания

После того, как будут закончены работы над проектом будущего здания, следует приступать непосредственно к строительным работам. Прежде всего, производится перенесение проектных чертежей на местность.
Участок строительства разбивается с помощью осевых линий – тонкой проволоки или шпагата, натянутых на колышки.
Эти колышки устанавливаются таким образом, чтобы осевые линии, пересекаясь между собой, образовывали периметр будущего здания. Затем производятся земляные работы. Их характер и объём полностью зависят от типа запроектированного фундамента.
Для равномерного распределения веса здания на опоры, необходимо максимально точно рассчитать на местности точки заложения оснований под столбы.
Ниже рассмотрим особенности устройства монолитных фундаментов для колонн, производимых по различным технологиям.
Столбчатое монолитное основание
Для устройства столбчатого монолитного фундамента достаточно выкопать яму нужной глубины под заливку монолитного стакана, либо для установки готового «стакана». На дне также сооружается песчано-гравийная подушка. Перед заливкой монолитного столбчатого фундамента вымеряется точка установки колонны и сооружается опалубка.
Внутрь нее помещается каркас с закладной или с выступающими вверх штырями для крепления будущей опоры. Конструктивно столбчатое основание может быть исполнено как в виде монолитной плиты, так и в виде ступенчатой пирамиды из двух-трёх уступов. В последнем случае каждая ступень заливается по отдельности, начиная с самой нижней.
Посмотрите видео, как производится установка колонны в стакан.
https://youtube.com/watch?v=rFdU3MSW9qg
Ленточное монолитное основание
В этом случае выкапывается траншея по всему периметру постройки, а также там, где будут проходить внутренние несущие стены. В точках монтажа колонн делаются расширения или углубления в грунте, если проектом предусматривается установка или заливка в этих местах бетонных «стаканов».

В случае если общая масса строящегося здания не такая уж и большая, можно обойтись без подобного усиления конструкции. Достаточно будет в точках монтажа несущих опор лишь усилить каркас с помощью более толстой арматуры, выпуска вертикальных стержней или установки металлических пластин – «закладных».
По всему периметру траншеи, на дно засыпается подушка из крупного песка, гравия или щебня, а затем укладывается объёмный каркас. Он собирается и монтируется таким образом, чтобы возвышаться над уровнем траншеи на определённую высоту (не менее 30-40 см), необходимую для защиты стен здания от потоков талой и дождевой воды. Выступающая часть каркаса забирается в опалубку.
Сплошное монолитное основание
Для заливки сплошной железобетонной плиты необходимо снять верхний слой почвы на всей площади будущей постройки. Затем площадка выравнивается в горизонтальной плоскости и засыпается щебнем, песком или гравием. Поверх песчано-гравийной подушки укладывается объёмный каркас, в точках монтажа опор также делается усиление каркаса, выпускаются стержни (анкерные болты) либо монтируется металлическая закладная пластина.
Рекомендуем посмотреть видео о том, как производится монтаж колонны на готовое основание.
https://youtube.com/watch?v=cEHJgznHiuc
Свайные монолитные основания
По типу устройства такие основания могут быть нескольких типов, но к монолитным фундаментам под колонны можно отнести, пожалуй, только буронабивную технологию. В местах монтажа будущих колонн с помощью бура делается отверстие, куда устанавливается опалубка.
Устанавливать закладные, анкера или выпуски арматуры под будущую колонну лучше до заливки монолита. В этом случае возможно скрепить данные детали с каркасом, что делает связь колонны с основанием более прочной. Кроме того, это отнимет гораздо меньше сил и времени.
Поскольку от правильного выбора фундамента зависит надёжность здания и долговечность его эксплуатации, подходить к расчётам нужно очень ответственно. Наилучшим вариантом будет обратиться к специалистам, которые смогут составить проект с учётом всех мельчайших нюансов.
Виды оснований под сборные колонны из железобетона
Чертеж сопряжения фундамента с колонной
Под сборные столбы из железобетона используют монолитные либо сборные основания из железобетона.
Цельные основания из железобетона образованы несколькими ступенями и подколонником, в котором размещается стакан для опоры. Нижняя часть стакана находится на 5 см ниже основания столба. Это необходимо для того, чтобы после снятия опалубки при заливке бетонной смеси сбалансировать возможные нагрузки и огрехи в расчетах.
Сборные железобетонные основания могут изготавливаться из одного башмака либо из блок-стакана и одной или многих плит, расположенных снизу него.
Проектирование включает в себя разметку верхней части подколонника на уровне заданной разметки поверхности грунта. Основы бывают высотой 1,2−3 м, между ними создается шаг 0,3 м. Эти показатели соответствуют максимальной глубине закладки основы. Высота основания регулируется с учетом высоты подколонника, при том же размере степеней.
Если проектирование предусматривает увеличение глубины заложения фундамента, то под ним выполняют песчаную или бетонную подушку. Благодаря увеличению размера подколонника в строениях с подвальными помещениями, фундаменты располагаются ниже напольного покрытия.
Основания заливаются бетоном марок М150 и М200. Армирование выполняется металлической сеткой с размерами ячеек 200X200 мм, которая размещается в нижней его части. Сетка сваривается, и поверх нее укладывается защитный слой толщиной 0,35−0,7 м. В качестве прутьев используют горячекатаную сталь периодического профиля класса А-П. Армирование подколонников выполняется таким же способом, что и армирование столбов.
Блок-подушки применяются для увеличения размера подошвы основания. Имеют следующие размеры:
- длина – 1,2-2,4 м;
- толщина – 0,3-0,4 м;
- ширина – 1-2,4 м.
Блок-подушки толщиной 1−1,6 м помимо стандартных размеров могут изготавливаться меньшей длины, то есть доборными. Изготавливаются из бетона марок М150 и М200. В качестве рабочего материала для армирования применяют класса А-П горячекатаную сталь. Чтобы уберечь от дополнительных нагрузок, блок-подушки располагают на ровную поверхность либо подготовку, выполненную из песка.
Основания из блок-подушек бывают прерывистыми и сплошными. В отдельно стоящих основаниях такие подушки укладываются с образованием разрыва, величина которого варьирует от 20 см до 90 см. Подобная конструкция дает возможность уменьшить расход стройматериала, уменьшить нагрузку и позволяет в полнее использовать несущую способность почвы.
При строительстве промышленных строений на просадочных почвах под подушками основания устраивается армированный шов, толщина которого варьирует от 3 см до 5 см, а сверху него монтируется армированный пояс толщиной от 10 см до 15 см. Это позволяет уменьшить нагрузку, увеличить жесткость основания, предупредить возникновение трещин при неравномерной усадке строения.
Фундаменты крупных строений из массивных железобетонных компонентов выполняют из панелей-стенок и панелей-подушек. Панели-стенки устанавливаются сверху панелей-подушек. Они бывают со сквозными отверстиями, ребристыми и сплошными. Смонтированные панели скрепляются между соседними, методом сваривания закладных металлических компонентов. Эти подушки укладываются по форме прерывистых либо непрерывных лент. Бывают сплошными и ребристыми.
Ленточные монолитные фундаменты устраиваются в основном из железобетона. Они обустраиваются внутри опалубки, в которой вмонтирована арматура (если речь идет о железобетонных фундаментах), и укладывают бетонную смесь.
Свайные фундаменты имеют ряд плюсов: они практически не дают усадки, сокращают время на проведение земляных работ, а также снижают затраты на строительство. Любое строение с применением свай может простоять больше 100 лет.
В современном строительстве жилых и коммерческих зданий, мостов и иных сооружений часто в качестве основных несущих основную нагрузку элементов выступают колонны. Различные по способу производства и своим характеристикам, эти элементы зданий служат основой каркаса, на который устанавливаются все остальные конструкции здания. Вместе с тем для надежной, прочной, но главное правильной конструкции всего сооружения, колонны должны быть установлены с минимальными отклонениями от расчетных величин проекта. Именно поэтому в процессе расчета проекта и практической его реализации много внимания уделяется устройству фундаментов.
Расчет фундаментов под колонны
Отправными данными для расчета фундамента под одну колонну здания являются:
- масса непосредственно самой колонны;масса перекрытия;масса стеновых материалов;масса конструкций здания, опирающихся на колонны.
Вычисление давления, которое воздействует на одну опору, проводится с использованием расчета площади опоры непосредственно самой колонны. Так, при размерах опоры 50*50 см.
искомая площадь будет составлять 2500 кв. см. Далее проводится суммирование всех масс здания и деления полученного результата на площадь одной опоры.
Для расчета количества самих колон, требуются данные о свойствах грунта, глубине грунтовых вод, их насыщенности, при этом как показывает практика, количество опор рассчитывается с запасом не менее 50% запаса по прочности на каждую из колонн. При получении меньшего результата, как правило, увеличивают количество точек опор.
https://youtube.com/watch?v=Tv3wCzjT_a0
https://youtube.com/watch?v=fDyDlNQicLQ
Как поклеить самостоятельно
В самостоятельной покраске и поклейке нет ничего сложного. Для того, чтобы поклеить и покрасить, понадобятся следующие инструменты и материалы:
- краска и красящий элемент;
- меховой валик и кисти;
- пластиковая ванночка;
- перчатки;
- ёмкость для разведения краски;
- малярная лента;
- акриловый лак (если необходим).
Как окрасить:
Подготовка стен. Обои на стенах должны хорошо просохнуть. Не стоит спешить с покраской, лучше выдержать время, указанное в инструкции. Обычно это 2-4 дня после оклейки обоев. Если на отдельных участках образовались пузыри, их надо разрезать и заклеить заново клеем ПВА. Окрашивание нужно начинать после полного просыхания участков.
Разведение краски
Здесь важно соблюдать пропорции, указанные в инструкции. Важно! Разведённый состав не должен быть слишком жидким.
Нанесение краски
Для этого используйте валик из пористого материала, к примеру, из поролона. В процессе работы могут образоваться подтёки. Их нужно аккуратно собрать торцом валика, затем пройтись краской по участку ещё раз. То же самое касается пузырей, иногда образующихся при окрашивании.
Что стоит учесть
- Краска сохнет от 2 до 14 часов. После этого можно нанести второй слой краски: цветовой оттенок будет более красивым и насыщенным.
- В местах соприкосновения с полом используйте малярную кисть. Плинтус предварительно оклейте малярным скотчем.
- При желании окрашенную поверхность можно покрыть акриловым лаком. Такое покрытие обеспечит защиту от загрязнений, поэтому для кухни, прихожей и детской это идеальное решение.
- Если никак не получается подобрать нужный оттенок краски, колеруйте белую основу с любым из оттеночных красителей.
Стоимость фундамента
Цены варьируются в зависимости от разных показателей, вроде глубины котлована и объёма работ вообщем, но сам фундамент чаще всего имеет фиксированную стоимость.
- Ленточный обойдётся довольно дорого, цифра достигнет 20% от стоимости всей конструкции,
- столбчатый находится в диапазоне цен от 3.500 до 4.000 рублей, цена довольно приемлемая, но есть минус — если место планируется как общественное, оно должно иметь парковку (по новым нормам), поэтому придётся выкупать для этого кусок земли, так как столбчатый фундамент не предусматривает наличия подвальных и цокольных помещений.
Есть такой интересный строительный ход: колонны опускаются в фундамент, соответственно под землю, сверху оставляют около 3-х метров и сами помещения начинают строить на колоннах, а расстояние от земли до конца опор является парковочным местом.
Расчёт фундаментов
Теории расчётов осадок фундаментов
Для вычисления расчётных осадок фундаментов зданий и сооружений выбирают расчётную схему основания исходя из характера напластования грунтов, конструктивных особенностей сооружения и размеров фундамента. Существует более двухсот методов (теорий) расчёта деформаций оснований, все они имеют свои достоинства и недостатки, вот некоторые из них:
- метод линейно деформируемого полупространства с условным ограничением глубины сжимаемой толщи Hс;
- метод линейно деформируемого слоя конечной толщины (Егорова К. Е.), применяется в следующих случаях:
- если в пределах сжимаемой толщины Hc, определённой как для линейно деформируемого полупространства, залегает слой грунта с модулем деформации Е1 ≥ 100 МПа и толщиной h1 ≥ Hс (1 — (Е2/Е1)^1/3), где Е2 — модуль деформации подстилающего слоя грунта с модулем Е1 (пп. 7, 8 );
- ширина (диаметр) фундамента b ≥ 10 м и модуль деформации грунтов основания Е1 ≥ 10 МПа.
Примечание. По схеме линейно деформируемого пространства осадка фундамента может быть определена и методом эквивалентного слоя по Н. А. Цытовичу
- метод эквивалентного слоя грунта (Цытовича Н. А.)
- метод послойного суммирования — точность прогноза осадок понижается с увеличением площади фундаментов и глубины отрываемого котлована.
Общие теории
Расчёт фундаментов для зданий и сооружений начинается с выбора типа фундаментов. Прежде всего требуется определить геометрию (размеры) фундаментов, исходя из их устойчивости и прочности применяемых материалов, для этого нужно выполнить следующие условия:

Установить глубину заложения подошвы фундамента, зависящую от следующих факторов:
- расчётной глубины промерзания грунтов;
- технологических решений;
- конструктивных решений (конструктивных особенностей подземной части сооружения: наличие или отсутствие подвала; отдельные фундаменты под колонны, ленточные под стены или сплошная монолитная плита под всё сооружение; монолитные или сборные фундаменты и пр.);
- геологических изысканий (характера напластования и состояния грунтов: просадочность, пучинистость и др.);
- гидрогеологических изысканий (уровень грунтовых вод — УГВ);
- массивности возводимого здания (два этажа или двадцать);
- особых условий строительной площадки — сейсмичность района (в сейсмических районах принято в среднем заглублять до 10 % всего здания исходя из опыта проектирования и указаний государственных нормативов);
- наличия построенных зданий и сооружений вблизи, подземных коммуникаций и др.;
- рельефа местности (горная местность или пологая равнина).
Примечание. Минимальная глубина заложения фундаментов составляет 0.5 м от уровня планировки, в несущий инженерно-геологический элемент — ИГЭ — 0.2 м. Устанавливать фундаменты желательно выше УГВ, если это возможно, на одной отметке, особенно в сейсмоопасных районах, и на один и тот же ИГЭ.
Определить размеры фундамента:

- выполнить сбор нагрузок на фундаменты и на основание под ними — N (вертикальная нагрузка), M (опрокидывающий момент), Q (сдвигающая сила);
- принять предварительную площадь подошвы фундамента А и его размеры в плане (b×l) исходя из принятого значения R (см. п. 5.6.7 СП ), определив давление по подошве фундамента ρ (p = N / A) и сравнив его с реальным значением R для выбранных размеров фундамента;
расчёт прочности материала фундамента
- выполнить расчёт фундаментов на продавливание (вычислить толщину подушки фундаментов);
расчёт основания при необходимости

- расчёт песчаной подушки (для искусственного основания);
- расчёт глубинного уплотнения и т. д.;
- проверить прочность слабого подстилающего слоя, если это требуется по результатам оценки инженерно-геологических условий;
расчёт конечной осадки фундамента
- выполнить расчёт величины конечной осадки s фундамента (и сравнить её с предельно допустимой величиной абсолютной осадкой smaxU);
- расчёт осадок двух близко расположенных фундаментов.
- расчёт абсолютных осадок;
- расчёт средней осадки;
- расчёт относительной осадки.
Примечание. Сравнение полученных расчётом осадок с предельными, приведенными в СНиП, и решение вопроса о необходимости устройства осадочных швов, либо изменении типа и конструкции фундаментов.

Вычислить величины различных видов деформаций оснований (расчёт устойчивости фундамента)

Допустимый тип грунта и расчет
Для всех ли грунтов целесообразно устраивать столбчатые фундаменты? В общем, столбчатые конструкции не подходят для слабых и проседающих грунтов. Также проблематично их строить в пучинистых грунтах и на плывунах. Лучше всего столбчатый фундамент использовать на прочных основаниях с низким уровнем грунтовых вод, например, на песчаных.
Применение таких конструкций на таких грунтах позволит существенно сократить стоимость строительства и объем земляных работ. Перед строительством необходимо провести расчет и определить, способен ли грунт на участке принять нагрузку от дома. Если при устройстве ленточного фундамента вес здания передается основанию равномерно под всей площадью стен, то столбы собирают и передают нагрузку сосредоточенно. В общем порядок выбора фундамента такой:
- рассчитывают полный вес дома, включая и временные нагрузки;
- определяют несущую способность основания, для этого проводят геологические изыскания или берут значение из нормативной документации для каждого типа основания;
- по количеству опор и площади их основания определяют нагрузку на грунт в кг/см2, если она больше допустимой, то увеличивают количество столбов или их сечение.
Приблизительный расчет ведут исходя из несущей способности грунта в 2 кг/см2.
Для слабых грунтов целесообразно выбирать свайные, плитные или ленточные фундаменты.
Если на участке оказался пучинистый грунт, то возведение столбчатого фундамента возможно если часть основания заменить на песок. Для этого выбирается слой существующего грунта и устраивается песчаная подушка.
https://youtube.com/watch?v=nVzDgZlHl0I
Что такое пучение грунта и как оно влияет на выбор фундамента
Самые сложные для строительства это глинистые грунты. Они плохо отводят воду, и она скапливается в небольших полостях. При замерзании она значительно увеличивает объем почвы. Увеличиваясь в объеме почва давит на все, что в ней находится, включая и фундамент. Это явление называется пучением (почва вспучивается), а грунты, а которых они явно выражены — пучинистыми.
Силы пучения прикладываются как снизу, пытаясь вытолкнуть столб, так и с боков, пытаясь сдвинуть опору в сторону. Именно по этой причине в глинистых — пучинистых — грунтах лучше делать столбы монолитными с армированием.
Как действуют силы пучения на столбчатый фундамент
Также чтобы столбы не выталкивало вверх, нижнюю часть делают расширенной. Эту область называют пяткой и по размерам она обычно в два раза превышает размеры самого столба, а ее высота равна 1/3 сечения столба. Например, под столб 40 см делают пятку 80*80 см, высотой 13 см или около того.
Швы между блоками/кирпичами/камнями в сборных столбах далеко не всегда способны противостоять боковым нагрузкам, потому для уменьшения влияния сил пучения на сборных столбчатых фундаментах их делают со скошенными стенками. Это повышает их надежность в пучинистых грунтах. На нормальных грунтах столбы складывают с ровными стенками.
Сборный столбчатый фундамент делают со скошенными стенками
Фундамент под колонны
Все здания без исключения делятся на каркасные и бескаркасные. Промышленные сооружения чаще всего строятся каркасным методом, жилые бескаркасным. В качестве несущих элементов в каркасных зданиях выступают ригели и колонны, на которые в дальнейшем укладываются плиты перекрытия и стеновые панели.
Если в вашем строительстве используются колонны, то в зависимости от их вида выбирается тип фундамента. Колонны могут быть металлическими и железобетонными, и сегодня мы рассмотрим какой фундамент под колонны использовать в каждом случае.
Фундамент под железобетонные колонны
При установке железобетонных колонн выбирают фундамент стаканного типа, который может быть монолитным или состоять из сборных частей. Возводить ступенчатый фундамент можно только в том случае, если высота основы составляет выше 35 см. Также стоит учитывать, что сборный фундамент может иметь горизонтальную монолитную поверхность или наклонную.
Для строительства фундамента вырывается котлован, а далее по поперечным и продольным осям закрепляется кольями проектное положение самого фундамента. Застройщикам нужно помнить, что смонтировать сборный фундамент можно только в пределах закрепленного треугольника. Фиксирующие оси устанавливаются в плановые короба по отвесам, и опускаются с проволок.
Обязательно перед укладкой сборного фундамента нужно фиксировать положение осей на блоки. Если строительные блоки небольшого размера, тогда укладку осуществляют от оси, закрепленной струнами. Основание устанавливают в плановое положение с помощью отвеса. На финальном этапе строительства фундамента стаканного типа наносят четыре осевых риски по всем краям стакана, и измеряется величина отклонения от плановых меток.
Фундамент под колонны металлические
В процесс строительства фундамента под металлическую колонну входит: подготовка основания с полостью, расчет расположения фундамента по геодезическим особенностям, проектировка размещения, подбор заполняющего полость материала.
Монтаж металлических колонн состоит из целого ряда операций:
- Захват;
- Подъем;
- Наводки колонны на основания или встык;
- Выверка;
- Закрепление.
Для подъема применяется строповка металлических колонн или захват полуавтоматическими приспособлениями. Для предотвращения проскальзывания строп, при подъеме между стропами и колонной закладывают деревянные подкладки или распущенные пополам отрезки стальных труб.
Лучшим методом установки металлических труб называют безвыверочный метод монтажа. Принцип его состоит в том, что на фундамент под колонны устанавливают опорную плиту, а сами колонны устанавливаются по осям или на выверочные болты.
При строительстве фундамента необходимо особое внимание обратить на рихтовку, так как именно от этого зависит степень усадки колонн и всего здания. Рихтовку можно провести, как в процессе строительства основания, так и после
Чтобы провести данную процедуру, изначально проводится нивелировка конусных фундаментов, а далее рихтовка отдельных элементов.
При рихтовке всего каркаса просевшего здания, фундамент целиком не откапывается, поскольку давление пульпы позволяет преодолеть не только массу здания, но и грунта возле пазухи фундамента. В этом случае следует откапать лишь патрубок. Пространственную рихтовку собранной конструкции можно производить только после того, как установлена опалубка и ее соединения с внутренней конусной оболочкой и конусоподобным каркасом.
Когда пазух фундамента засыпан, кондуктор и опалубка демонтированы, а бетон затвердел, можно произвести безвыверочный монтаж колонны. Фундамент под колонны металлической на практике работает таким образом: сжимающая сила передается сверху вниз, а сила сжатия изначально воздействует на внешнюю оболочку, через торец фланга, а затем на внутреннюю оболочку.
Не стоит лишний раз упоминать, что монтаж фундамента под колонны является ответственным процессом, который лучше всего проводить специалистам. Только знающие свое дело мастера могут произвести грамотный расчет по установке колоны и устройству фундамента.
Типы столбчатого фундамента, материалы и особенности
В зависимости от глубины расположения основания столбчатые фундаменты делятся на следующие виды:
- Незаглубленные — глубина их заложения составляет в среднем от 0,3 до 0,5 глубины промерзания почвы в данной местности.
- Малозаглубленные — к ним относят основания зданий, заложенных на глубине равной 0,5—0,7 глубины промерзания согласно нормам.
- Заглубленные, основание которого опускается на уровень промерзания грунта и ниже.
Изготавливают опоры столбчатого фундамента из различных материалов. На выбор определенного вида материала влияет,в первую очередь, вес возводимого здания.
Для столбов может использоваться:
- бутовый камень или камень-плитняк, имеющий средние размеры, причем нужно подбирать материал для опор одних параметров;
- красный кирпич хорошего обжига, так как материал низкого качества может быстро разрушиться;
- комбинация бетона и бутового камня;
- монолитный железобетон;
- блоки из железобетона и бетона; трубы из асбестоцемента или металла, заполненные бетонной смесью;
- древесина твердых пород.
Для обеспечения устойчивости здания и длительной его эксплуатации опоры при сооружении фундамента должны выдерживать значительную нагрузку, что возможно лишь при определенных габаритах. Размеры каждого столба, глубина их заложения, количество столбов, места расположения, а также расстояние между соседними столбами являются расчетными. Определенно не стоит в данном случае применять метод «на глаз», лучше воспользоваться помощью профессионалов или специализированных программных инструментов.
По конструкции столбчатый фундамент сооружают монолитным (из железобетона), комбинированным (трубы из асбестоцемента или железа, залитые раствором) или сборным из отдельных элементов (кирпич, камень или готовые блоки). Кроме того, возводят фундамент подобного типа, используя готовые столбы из железобетона или дерева.
К особенностям монолитного столбчатого фундамента относятся: использование в качестве основного материала бетонна; трудоемкость из-за соблюдения технологии сооружения столбов; необходимость обустройства опалубки и использования арматуры; надежность, долговечность и прочность конструкции.
Сборный столбчатый фундамент менее трудоемкий и возводится с использованием штучных элементов. Такой фундамент широко использовался в прошлом, он отличается следующими параметрами: значительным сокращением сроков сооружения основания; необходимостью проведения гидроизоляционных работ. Кирпичный фундамент применяется довольно редко из-за сложности возведения и способности кирпича впитывать влагу, разрушаясь под ее воздействием. Поэтому часто используется комбинированный вариант, при котором нижняя часть опор, находящаяся в земле, отливается из монолитного бетона, а верхняя возводится из кирпича. Фундамент из бетонных блоков менее подвержен разрушению под действием влаги, но впитывает ее, поэтому нуждаются в проведении гидроизоляционных мероприятий. Кладку из блоков выполняют с обязательной перевязкой швов, а для усиления прочности в пустоты устанавливают металлические стержни и заполняют их раствором.
Особенности комбинированного столбчатого фундамента: сокращение сроков строительства основания; не требуется точно соблюдать глубину заложения всех опор, так как этот параметр корректируется.
Фундамент из труб, применяющихся в качестве столбов, напоминает свайный, но характеризуется меньшей глубиной заложения.
Характерные черты возведения фундамента из готовых столбов: увеличение скорости сооружения; снижение трудоемкости выполнения работ. Для этой технологии применяются опоры из древесины или железобетона.
Под дома из дерева, особенно возводимые по каркасной технологии, можно устанавливать столбы из древесины хвойных пород или дуба, обработанные специальным составом от гниения.
Для того чтобы увеличить устойчивость опор и исключить их горизонтальное смещение, верхние торцы столбов соединяются между собой металлическими балками, швеллером или монолитной конструкцией из железобетона, называемой ростверком. В зависимости от климатических условий и рельефа местности его нижняя часть может быть заглубленной в траншею, располагаться на уровне земли или иметь зазор между почвой и поверхностью фундамента. Чтобы защитить стены от неблагоприятного воздействия грунта и влаги на столбчатом фундаменте сооружают цоколь.





























































