Из термодерева
Один из лучших вариантов конструкции — пергола из термодерева. Этот материал получил в последнее время широкую популярность, так как отличается своей 100% натуральностью и безопасностью для здоровья человека. Это модифицированная древесина, которая была термически обработана горячим паром. При её производстве не применяются никакие химпрепараты. Её преимущества:
- устойчивость к механическим повреждениям;
- отсутствие деформаций в процессе эксплуатации (конструкция прослужит очень долго);
- высокая сопротивляемость биологическому воздействию: грибку, плесени, вредителям, гниению;
- экологическая безопасность;
- отличные декоративные свойства;
- влагонепроницаемость.
Уж если вы потратились на термодерево, есть смысл сделать перголу более прочной. Поэтому предлагаем вашему вниманию схему простой конструкции (как в самом начале), но поставленной уже на фундамент.
Пошаговая инструкция
1. Фундамент:
- разметить местность;
- выкопать в углах ямки (диаметр — 40 см, глубина — на 15 см ниже уровня промерзания грунта);
- засыпать гравием (толщина — не менее 10 см), тщательно утрамбовать;
- вставить опалубку;
- заполнить формы бетоном, установив в него регулируемые анкера, оставить на 48 часов.
2. Выравнивание опор:
- установить деревянные стойки в идеально вертикальном состоянии;
- зафиксировать в двух направлениях;
- закрепить в анкерах глухарями.
3. Зафиксировать стойки металлическими анкерами:
4. Воспользоваться одним из вариантов крепления стоек:
5. Установить опорные балки:
- выровнять по горизонтали;
- зафиксировать струбцинами;
- просверлить сквозные отверстия через балки и стойку;
- вставить болты, затянуть гайки;
- балки должны немного выступать за периметр постройки;
- для улучшения декоративных свойств лобзиком придать концам балок округлую форму.
6. Закрепить балки и установить поперечные:
- выровнять балки, чтобы строение смотрелось ровно и аккуратно;
- на концах каждой поперечной балки сделать по 2 выреза;
- просверлить направляющие отверстия;
- зафиксировать балки саморезами.
7. Убедиться, что балки легли ровно:
8. Закрепить поперечные балки:
- нанести разметку;
- сделать в доске пропилы;
- удалить стамеской древесину между пропилами.
9. Установить перпендикулярные (фиксирующие) перекладины через каждые 60 см:
- сделать выемки;
- просверлить направляющие отверстия;
- зафиксировать перекладины саморезами.
10. Завершение работы:
- заполнить отверстия и трещины шпатлевкой по дереву;
- отшлифовать поверхности наждачкой средней зернистости;
- нанести 2 слоя лака.
Разновидности конструкций перголы
Сооружение прекрасно подходит для разделения участка на зоны благодаря особенностям своего строения. По этому признаку перголы делятся на следующие типы:
отдельно стоящие;
Белая пергола возле домаИсточник pergola.com.ua
прилегающие к зданию;
Прилегающая к зданию перголаИсточник enkistroy.ru
объединенные с постройками;
Пергола белого цвета возле зданияИсточник remontbp.com
пристенные сооружения.
Пергола возле стеныИсточник archiexpo.com.ru
Пергола в виде навеса обладает более плотной верхней частью, которая хорошо защищает от палящих лучей солнца. Это отличный вариант для беседки – свежий воздух и затененное пространство уменьшают ощущение жары. Здесь можно организовать зону отдыха для посиделок с друзьями, приема пищи и чтения книг в уютном уединенном месте. Таким же образом можно покрыть детскую площадку или стоянку для авто. Перголу можно установить в непосредственной близости с домом или в виде отдельной конструкции. Строение рядом с жилищем может с успехом заменить веранду. Единственный минус –подобная конструкция не спасает от дождя, но для этой цели можно использовать влагонепроницаемый материал, к примеру, брезент.
Навес над столомИсточник remontbp.com
Пергола в ландшафтном дизайне также устанавливается для зонирования участка. Сооружение в виде ширмы отлично подходит для такой задачи, обеспечивая уединенность и давая возможность создавать отдельные уютные уголки в саду
Располагая перголу возле границы участка, можно скрыть его от посторонних глаз, а также отвлечь внимание от хозяйственных построек
Также это хорошее решение для отделения зоны отдыха от парковочного места, что особенно важно в некоторых стилях ландшафтного дизайна.
Белая пергола в виде ширмыИсточник rabotai-sam.ru
Тоннель представляет собой узкую и длинную перголу, которая обычно направлена в сторону дома и сада. Часто такую конструкцию устанавливают над дорожкой и украшают цветами и зеленью.
Пергола в виде тоннеляИсточник rabotai-sam.ru
Южные стороны строений иногда дополняют сооружением в виде козырька
Подобный навес не только привлекательно выглядит, но и имеет важное практическое значение, защищая стены от агрессивного влияния солнца и охлаждая жилище. Это экологичное решение, которое позволяет снизить потребление электроэнергии путем уменьшения затрат на работу кондиционера
Для этого пергола размещается параллельно южной стене дома.
Пергола в виде козырькаИсточник remontbp.com
Конструкция со скамейками отлично подойдет для обустройства места для отдыха и снизит количество необходимого времени и свободного пространства для установки.
Деревянные скамейки и перголаИсточник alumdevelop.ru
Виды и расположение пергол на участке
Форму и конфигурацию перголы выбирают в зависимости от назначения и расположения сооружения на участке.
- Пергола-навес может как примыкать к дому, так и стоять отдельно. Внешне конструкция напоминает беседку, но, в отличие от нее, имеет решетчатую крышу. Она отлично затенит детскую площадку, террасу, зону отдыха и даже парковку.
- Пергола-туннель создает увитый зеленью проход над дорожкой, ведущей от входной группы к дому или из одного уголка сада в другой.
- Пергола-козырек укроет окна дома от жаркого летнего солнца.
- Пергола-ширма по строению ближе к садовой решетке и ее главное назначение – зонирование участка и маскировка того, что бы вы хотели скрыть от посторонних глаз.
Пергола, выполняющая функцию навеса над зоной отдыха
Конструкция перголы
Пергола представляет собой полуоткрытую беседку с окнами и стенами, которые частично или полностью заполняют сооружение с нескольких сторон. Причем сами стены выполнены в виде обрешетки. Поэтому соответствующая конструкция служит укрытием только в теплое время года. Целевая аудитория задается вопросом, как сделать перголу своими руками, чтобы ею можно было пользоваться не только летом?








Ответ кроется в комплексной модернизации:
- Покрытие стропильной фермы тентом или еврошифером;
- Отделка стен т.н. гибкими окнами или сайдингом;
- Монтаж окон в открытые оконные проемы;
- Установка печи внутри сооружения.














И все-таки тематическое укрытие больше подходит для летнего отдыха. Причем этому отдыху не будет мешать ни дождь, ни зной. Все дело в том, что пергола располагает кровлей-решеткой, которую можно покрыть тентом или брезентом. Большую нагрузку такое покрытие на конструкцию не оказывает, т.к. пергола своими руками располагает несущим каркасам – вертикальными столбами, которые обшиваются обрешеткой и кровельной фермой.


Вьющиеся растения для перголы
Главное украшение перголы – вьющиеся растения, для которых она служит опорой. Если их правильно подобрать, получится не только плотная зеленая кровля, но и яркий декоративный элемент с эффектом цветения с ранней весны до поздней осени.
Какие растения мы рекомендуем использовать в климате Калининградской области?
- Кирказон (аристолохия) крупнолистный (Aristolochia macrophylla).
Эта листопадная лиана впечатляет мощью и плотностью зеленого покрова. Крупные насыщенно-зеленые листья в форме сердца образуют густую черепитчатую крону и надежно укрывают от солнца. Растение считается рекордсменом среди вертикальных «озеленителей» (поднимается в высоту до 12 м), хорошо выносит тень.
- Девичий виноград (Parthenocissus).
Теневыносливая, морозостойкая, неприхотливая лиана быстро заполнит собой все свободное пространство и укроет перголу красивой темно-зеленой листвой. Особенно декоративен девичий виноград осенью, когда крона приобретает рубиновый окрас.
- Плетущиеся розы (Rosa).
Цветущие розовые кусты – лучшее решение для создания в саду романтической атмосферы. Особенно красиво плетущиеся розы смотрятся на арочных сводах и в анфиладах. Растение предпочитает южную локацию.
Пасторальный уголок сада с плетущимися розами
- Вьющаяся декоративная жимолость (Lonicera periclymenum).
Красивая лиана с декоративными листьями и невероятно душистыми соцветиями распускается в июне и сохраняет цветочный наряд до середины августа. На смену им приходят не менее выразительные грозди ярко-красных ягод. Растение великолепно себя чувствует не только на солнечных местах, но и в полутени.
- Вистерия (глициния) китайская (Wisteria chinensis).
Одно из наиболее эффектных растений с густо облиственной кроной и крупными лиловыми соцветиями, свешивающимися наподобие кистей винограда. Цветет продолжительно, источая неповторимый аромат. Главное условие цветения – обилие солнца.
Вистерия китайская – изюминка для перголы в средиземноморском стиле
- Кобея лазающая (Cobaea scandens)
Светолюбивый многолетник в наших условиях выращивают как однолетнюю культуру. Дает множество побегов длиной до 4 м, с середины лета и до заморозков цветет крупными фиолетовыми колокольчиками.
Кобея лазающая подойдет, если нужно быстро задекорировать стенки перголы
- Фаллопия Ауберта (Fallopia aubertii)
Наиболее мощная и быстрорастущая лиана для нашего климата, дающая годовой прирост до 6 м. Идеально подходит для молодых садов, когда нужно быстро создать зеленую вертикаль. Еще одно достоинство растения – осеннее цветение с августа по октябрь.
Фаллопия Ауберта украсит входную группу
- Хмель обыкновенный Aureus (Humulus lupulus Aureus)
Вьющийся многолетник предпочитает полутень. Сорт Aureus с золотисто-желтой листвой особенно очаровательно смотрится на фоне темной зелени хвойников, привнося в сад солнечное настроение.
Хмель образует живую изгородь
- Клематис горный (Clematis montana)
Деревянистый многолетник с нежными листочками и облаком крупных ярких цветов с ароматом ванили великолепен в садах пейзажного стиля. Любит солнце, не переносит сильного ветра и сквозняков.
На солнце клематис будет цвести с весны и до поздней осени
- Тунбергия крылатая (Thunbergia alata)
Однолетняя лиана порадует каскадом декоративной листвы и крупным ярко-желтым цветком с черным глазком – одно из названий растения «черноглазая Сюзанна».
Тунбергия крылатая
Заказывая проект ландшафтного дизайна участка, не забудьте об этом интересном и многофункциональном сооружении. А мы поможем красиво обыграть перголу и сделать ее по-настоящему ярким и стильным элементом сада.
Деревянная пергола на даче своими руками, примыкающая к дому (с фото)
Очень красива пергола, устроенная над террасой или крыльцом. В этом случае она исполняет роль пристройки к дому, чтобы облагородить его внешний вид и создать комфорт в зоне перед входом.
Конструкция этой изготавливаемой своими руками перголы, примыкающей к дому, очень проста. Для ее постройки потребуются несколько деревянных стоек (брусьев) и доски для стропил и верхней обвязки. Часть перголы накрыта прозрачной крышей, чтобы непогода не застала вас врасплох.
Для сооружения перголы понадобятся следующие основные детали:
- стойки 100 х 100 х 2500 (6 шт.);
- стропила 50 х 150 х 3600 (6 шт.);
- опорный брус 50 х 150×3200 (2 шт.);
- балка обвязки 50 х 150 х 3200 (2 шт.);
- ветровая доска 25 х 150 х 3200 (2 шт.);
- доски обшивки жардиньерки 25x150x2200 и 25x 150×300 (по 6 шт.);
- доска дна жардиньерки 25 х 150 х 2150 (2 шт.).
Все детали изготовлены из сосновых или еловых досок и брусьев.
Посмотрите на фото – у такой перголы для дачи, возводимой своими руками, стойки-опоры установлены на металлических подпятниках:
Последние можно закрепить в бетонном полу или на фундаментном блоке с помощью дюбелей и шурупов-глухарей. Если покрытие террасы выполнено из древесины, то опоры можно установить и закрепить непосредственно на настиле, но и в этом случае делать это стоит с помощью металлических крепежных элементов. Зафиксировав временными подкосами, столбы устанавливают строго вертикально и крепят в подпятниках. После крепления положение столбов надо еще раз проверить и при необходимости подкорректировать.
Элементы верхней обвязки перголы выполнены из досок сечением 50 х 150 мм. Верхние концы стоек соединяют с обвязкой вполдерева, то есть торец опоры спиливают до половины и на образовавшееся плечо укладывают доску обвязки. Затем место соединения деталей фиксируют струбцинами и скрепляют шурупами-саморезами.
Если пергола имеет большие линейные размеры, доски придется сращивать по длине. Это можно сделать, например, вполдерева (внакладку) или косым прирубом. Место сращивания двух досок следует проклеить и закрепить шурупами. Раскраивать доски, подлежащие соединению, следует так, чтобы в месте сращивания обязательно располагался столб.
После того как опоры и пристенный брус будут соединены сплошной обвязкой, на последнюю укладывают и закрепляют стропила. После крепления первых двух стропильных досок к обвязке и опорам конструкция перголы становится жестче. Однако временные подкосы опор лучше все-таки не снимать до полной сборки каркаса.
Установив все стропила, их концы надо подрезать так, чтобы они были на одной линии. Затем к выровненным торцам прибивают ветровую доску.
Как видно на фото, красивую перголу уместно дополнить жардиньеркой (ящиком для цветов) и декоративной решеткой в качестве опоры для вьющихся и плетистых растений:
Цветочный ящик сколачивают из строганых досок. При сплачивании деталей ящика применяют внутренние опорные бруски. Жардиньерку размещают между четырьмя стойками и крепят к ним шурупами, выставив ее по уровню.
Декоративную решетку для красивой перголы в саду собирают из реек в виде отдельного модуля. Его располагают над жардиньеркой и крепят непосредственно к столбам шурупами.
Часть крыши перголы можно перекрыть сплошным прозрачным навесом. Это позволит создать на террасе уголок, защищенный от осадков, но в то же время доступный солнечному свету. Лучше всего для этих целей подходит сотовый поликарбонат, который укладывают на четыре стропильные ноги, сгруппированные с одной стороны перголы.
Для монтажа прозрачной кровли следует применять специальные профили, посредством которых крепятся и стыкуются листы поликарбоната. Такие профили состоят из двух частей. На верхних кромках стропил саморезами крепят профили-основания.
Ее можно сделать любой конструкции или приобрести готовую в магазине. Можно обойтись и вовсе без решетки, вбив с тыльной стороны столбов гвоздики и натянув между ними несколько рядов проволоки или капронового шнура, по которым будут виться растения.
Между ними укладывают раскроенные листы поликарбоната со снятой с нижней стороны защитной пленкой и закрепляют профилями-крышками. Перед креплением профиля-крышки следует по краю панели приподнять защитную пленку во избежание ее зажатия крышкой. Места примыкания поликарбонатной кровли к стене и крыше дома закрывают специальными профилями.
В следующем разделе статьи предложена пошаговая инструкция по возведению ажурной перголы своими руками.
Варианты
В современном дизайне широко применяются для изготовления перлолы древесина и металл. Рассмотрим достоинства и недостатки каждого из вариантов конструкции.
Древесина
Пергола деревянная наиболее часто применяется для обустройства парков, садов. Постройка выполняется из различных древесных пород. Красиво смотрятся конструкции, сделанные из:
- дубовых;
- лиственных;
- сосновых;
- буковых;
- берёзовых досок.
Самым экономически выгодным вариантом будет применение состаренных древесины. Они оттенят стиль прованса. При применении грубых неотёсанных досок, бруса можно сделать привлекательным кантри и классический стили.
Наблюдается отличная сочетаемость древесины с большим количеством других материалов. Будет смотреться привлекательно конструкция, имеющая каменные или кирпичные столбы и деревянные перекладины. Такой навес сможет показать, как выгодно смотрится конструкция для воплощения в жизнь стиля шале, фахверка.
Собираясь обустроить перголу, необходимо предварительно обработать материал. В противном случае древесина быстро погниёт, потеряет свой привлекательный внешний вид.
Металл
При использовании металла нужно предварительно обратиться к услугам опытного мастера. Он сначала подготовит чертёж на основе вкусовых предпочтений заказчика. После подготовки мастер сварит конструкцию, с использованием тонких арматурных прутьев.
Пергола металлическая может в неблагоприятных условиях быстро потерять привлекательный внешний вид. По этой причине следует регулярно обрабатывать поверхность от негативного воздействия ржавчины. Конструкция покрывается краской, лаком. В таком состоянии она может применяться в стиле модерн, хайтек и других.
Какие бывают виды конструкций?
В зависимости от параметров сравнения, выделяют различные типы строений.
Размещение:
- Отдельностоящая. Может располагаться в любом удобном месте — для оформления ворот, тропинок, зоны отдыха в центре сада. Стоит на опорах, не зависит от других построек.
- Пристройка к дому. Чаще это пергола над террасой, которая с одной стороны опирается на стену, с другой — на свои столбы.
На фото ландшафтный дизайн с навесом
Модель:
- Тент. Обычно не имеет опор снизу, нависает над окнами, защищая их от солнечных лучей.
- Навес. Также будто «выходит» из стены дома, обычно длиннее и уже тента. Под ней ставят машины, устанавливают мангальные зоны, детские площадки, патио.
- Беседка. Самостоятельная конструкция вдалеке от дома. В отличие от обычной беседки не защищает от дождя из-за решетчатой крыши.
- Ширма. Вертикальная пергола, больше напоминающая забор. По сетке также плетутся цветы снизу вверх. Выступает как элемент зонирования.
- Туннель. Несколько арок, соединенных одной крышей, ставят над тропинкой или у входа, чтобы образовать тень и создать красивый затененный коридор в ландшафтном дизайне.
- Зона отдыха. В конструкции уже предусмотрены лавочки и крыша, добавьте мангал и стол — получите готовое пространство для барбекю.
Стиль:
- Кантри. Широко распространенный, привычный вариант: деревянная модель, отличающаяся лаконичным дизайном, прямыми линиями. Обычно не красят, используют в оттенке натурального дерева, отлично сочетается с зеленью в саду.
- Хай-тек. Пергола в современном стиле выглядит абсолютно нетрадиционно, являясь арт-объектом придомового участка. Линии могут быть как плавные, гнутые, так и прямые (характерны для модерна). В производстве используют дерево, металл, пластик.
На фото оформление камнем на дачном участке
- Восточный. Изготавливают в основном из дерева, тонированного в красный цвет. От традиционной модели отличается видом крыши: резные гладкие переходы делают перголу похожей на китайскую пагоду.
- Средиземноморский. Конструктивно ничем не отличается от кантри, кроме цвета: основным должен быть белый, дополняют его черным или венге, либо темным теплым деревом.
На фото скамейки у дома под крышей
Форма:
- Простая квадратная. Классический варианта для садового участка, выделяющийся правильной формой.
- Простая круглая. Плавные линии гармоничнее смотрятся на дачном участке. Больше подходит для небольших площадей или соответствующих стилей.
- Сложная. Треугольные, многогранные, ломаные, гнутые — если вам нужно сделать акцент, сделайте ставку на неправильную форму.
Строительство своими руками
Красивую и крепкую перголу совсем не обязательно икать в магазине, потому что ее возможно соорудить своими руками. В таких работах нет ничего запредельно сложного. Главное – действовать строго поэтапно и не торопиться, тогда есть все шансы получить отличные результаты.
Рассмотрим пошагово, как домашний мастер может самостоятельно и правильно сделать качественную перголу своими руками.
Проектирование
Чтобы построить надежную и привлекательную конструкцию, предварительно нужно разработать ее подробный проект. Мастеру обязательно понадобится держать при себе детальный чертеж со всеми размерами запланированного сооружения. Имея готовый проект, собирать подобные конструкции гораздо проще, не допуская серьезных ошибок.
Если же опытным строителем вы себя назвать не можете, целесообразно воспользоваться готовыми проектами деревянных пергол. Вот несколько неплохих схем.
Универсальной и беспроигрышной для декорирования дачного участка станет традиционная пергола. Это может быть надежная конструкция, опирающаяся на крепкие опорные столбы с дополнительным подножьем. Верхнюю часть сооружения будут подпирать подкосы, удерживающие балки и деревянную обрешетку. Размеры такой постройки могут быть любыми, исходя из свободной площади участка и предпочтений хозяев.
Пошаговая инструкция
Подготовив подробный план-проект будущего сооружения, можно переходить непосредственно к работам по его изготовлению. Мастеру нужно предварительно подготовить все необходимые материалы, из которых будет состоять пергола.
Рассмотрим, что именно понадобится для строительных работ на примере такой схемы:
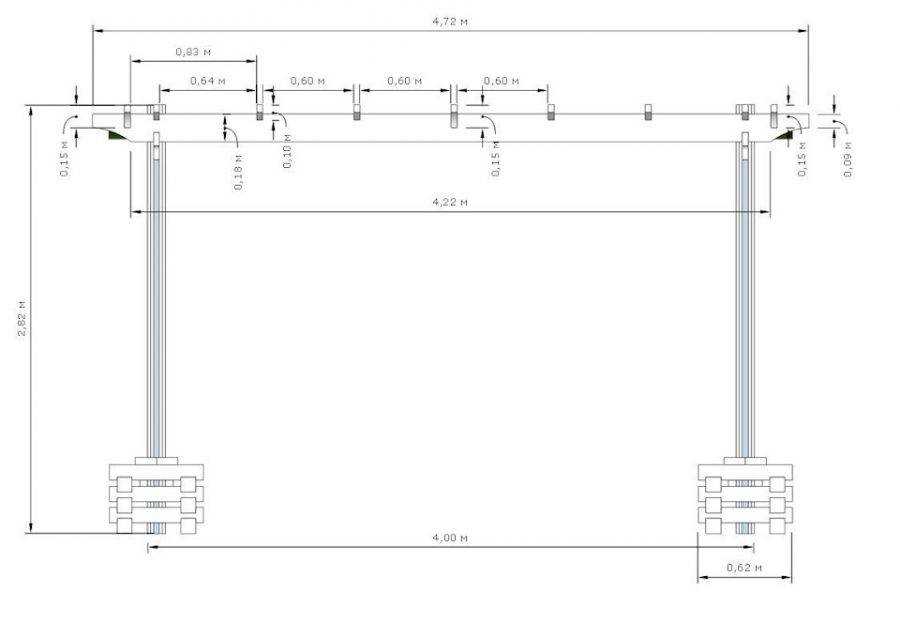
- 6 опорных столбов размерами 3,600х100х100 мм;
- 6 балок размером 2,400х90х40 мм;
- 16 обрешеток размерами 2,400х90х40 мм;
- 14 подкосов с размерными параметрами 800х90х40 мм.
Приготовив все строительные материалы и соответствующие инструменты, можно смело приступать к следующему шагу – сборке конструкции перголы.
Сначала устанавливают опоры. В роли столбов будут выступать бруски 100х100 мм. Проще всего зафиксировать опорные детали посредством их бетонирования в подготовленных ямах, выкопанных на линии пониже уровня промерзания грунта. Показатель глубины скважин должен составлять не меньше 1 м.
Как можно заметить, схема сборки деревянной перголы является достаточно простой и понятной. После завершения конструирования такого декоративного элемента его можно дополнительно покрасить в любой понравившийся цвет, который гармонично впишется в имеющийся ландшафтный дизайн.
Где следует обустраивать?
До начала строительных работ тщательно продумайте вопрос, где будет находиться конструкция. Её можно поставить на центральном месте, выгодно оттенив территорию и украсив её внешний вид.
Некоторые мастера рекомендуют выполнять перголу для того, чтобы спрятать непривлекательные элементы, имеющиеся на территории участка. Ставят конструкцию на ровной или слегка возвышенной площадке, где можно увидеть красивый вид.
Специалисты рекомендуют делать конструкцию на отдалении от месторасположения автомобильных дорог, от выгребных ям, туалетов, компостных куч и других источников неприятного запаха.
↑ Материалы для каркаса
Для сооружения беседки подойдут:
- деревянный брус либо мелкий кругляк;
- стальные трубы (удобнее использовать профильные);
- полимерные трубы из поливинилхлорида.

Преимущество ПВХ труб – устойчивость к влаге, действию микроорганизмов. Поэтому они не требуют обработки специальными защитными средствами. Но необходимо учитывать, что этот материал уступает по прочности металлу и дереву. При выборе труб ПВХ подбирают морозостойкие изделия с достаточно большим диаметром и толщиной стенок. Расставляемую мебель лучше не облокачивать на стены беседки во избежание их деформации. Мангал также размещают на безопасном расстоянии от полимерных поверхностей.
Подготовка деревянных и металлических элементов
При строительстве беседки из деревянных брусьев заранее пропитывают древесину одним или двумя слоями защитного средства, например, «Усадьбы» или «Сенеж». Они обладают антибактериальными свойствами и повышают огнестойкость материала. Производители пропиток предлагают широкий выбор колерующих составов для придания дереву желаемого оттенка. После нанесения пропитки необходимо дать ей полностью высохнуть. Обработанная древесина долго сохраняет привлекательный вид, не темнеет от действия внешних факторов, не гниёт и не поражается грибками.
Используемые для сооружения каркаса металлические трубы проверяют на наличие ржавых пятен. Поражённые коррозией места очищают механическим путем, для ускорения процесса применяют преобразователи ржавчины. Затем трубы дважды грунтуют – перед началом сварочных работ и по их окончании, тщательно обрабатывая места соединений. Когда покрытая грунтовкой поверхность высохнет, конструкцию окрашивают эмалью по металлу, предназначенной для использования с наружной стороны зданий.























































































